| 當前位置:首頁->方案設計 |
|
| TPA3251 高保真175W D類音頻放大器參考設計 |
|
|
| 文章來源: 更新時間:2016/6/4 11:56:00 |
在線咨詢: |
| |
TI公司的TPA3251是數字輸入和處理的高保真175W D類放大器,采用高端反饋設計和有所有權的高速柵極驅動誤差修正(PurePath™ Ultra-HD),具有超低音頻失真和優(yōu)越的音質.器件可對4-Ω負載提供2x175W,對3-Ω負載提供2x220W,D類放大器效率高達90%,主要用在藍光/DVD接收器,高端HTiB系統(tǒng),AV接收器,高端條形音響,迷你音響系統(tǒng),有源揚聲器和低音喇叭.本文介紹了TPA3251主要特性,功能框圖,系統(tǒng)框圖,幾種應用電路圖以及PurePath™ Ultra-HD評估板TPA3251D2EVM主要特性,電路圖,材料清單和PCB設計圖.
TPA3251 is a high performance class-D power amplifier that enables true premium sound quality with class-D efficiency. It features an advanced integrated feedback design and proprietary high-speed gate driver error correction (PurePath™ Ultra-HD). This technology allows ultra low distortion across the audio band and superior audio quality. The device can drive up to 2 x 175 W into 4-Ω load and 2 x 220 W into 3-Ω load and features a 2 VRMS analog input interface that works seamlessly with high performance DACs such as TI’s PCM5242. In addition to excellent audio performance, TPA3251 achieves both high power efficiency and very low power stage idle losses below 1 W. This is achieved through the use of 60 mΩ MOSFETs and an optimized gate driver scheme that achieves significantly lower idle losses than typical discrete implementations.
TPA3251主要特性:
Differential Analog Inputs
Total Output Power at 10%THD+N
175-W Stereo into 4 Ω in BTL Configuration
220-W Stereo into 3 Ω in BTL Configuration
350-W Mono into 2 Ω in PBTL Configuration
Total Output Power at 1%THD+N
140-W Stereo into 4 Ω in BTL Configuration
175-W Stereo into 3 Ω in BTL Configuration
285-W Mono into 2 Ω in PBTL Configuration
Advanced Integrated Feedback Design with High- speed Gate Driver Error Correction (PurePath Ultra-HD)
Signal Bandwidth up to 100 kHz for High Frequency Content From HD Sources
Ultra Low 0.005% THD+N at 1 W into 4 Ω and <0.01% THD+N to Clipping
60 dB PSRR (BTL, No Input Signal)
<60 µV (A-Weighted) Output Noise
>111 dB (A Weighted) SNR
Multiple Configurations Possible:
Stereo, Mono, 2.1 and 4xSE
Click and Pop Free Startup and Stop
90% Efficient Class-D Operation (4 Ω)
Wide 12-V to 36-V Supply Voltage Operation
Self-Protection Design (Including Undervoltage, Overtemperature, Clipping, and Short Circuit Protection) With Error Reporting
EMI Compliant When Used With Recommended System Design
TPA3251應用:
Blu-ray Disk™/DVD Receivers
High End HTiB Systems
AV Receivers
High End Soundbar
Mini Combo Systems
Active Speakers and Subwoofers

圖1.TPA3251框圖

圖2.TPA3251系統(tǒng)框圖

圖3.TPA3251差分輸入BTL應用電路圖

圖4.TPA3251單端(1N)SE應用電路圖

圖5.TPA3251差分(2N)PBTL應用電路圖
PurePath™ Ultra-HD評估板TPA3251D2EVMTIDA-00874
The TPA3251D2EVM PurePath™ Ultra-HD evaluation module demonstrates the TPA3251D2DDV integrated circuit from Texas Instruments. The TPA3251D2DDV is a high-performance class-D amplifier that enables true premium sound quality with high efficiency class-D technology. It features an advance integrated feedback design and high-speed gate driver error correction (PurePath™ Ultra-HD), which enables ultra-low distortion across the audio band and superior audio quality.
This EVM supports 2 BTL (stereo 2.0) output channels, 1 PBTL (mono 0.1) output channel, 1 BTL plus 2 SE (2.1) output channels, and 4 SE (4.0) output channels configurations. The NE5532 is a High Performance Audio Op Amp designed to allow TPA3251D2DDV operation with differential or single ended input signals to the EVM with differential inputs yielding the optimal performance. TPA3251D2EVM is a complete 2Vrms analog input 2 × 175 W stereo/1 x 350 W mono power amplifier ready for evaluation and excellent listening experience.

圖6.評估板TPA3251D2EVM外形圖
評估板TPA3251D2EVM主要特性:
Stereo PurePath™ Ultra-HD evaluation module
Self-contained protection system (short circuit, clip and thermal)
Standard 2VRMS differential input or single ended line input
BTL, PBTL and SE output configurations support
Double-sided, plated-through, 2oz. Cu 2 layer PCB layout

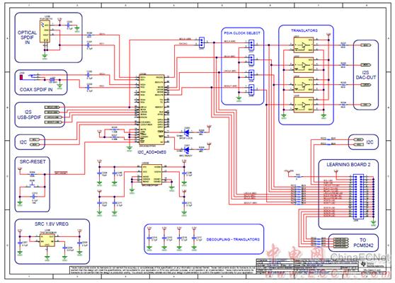
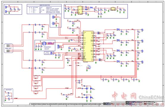
圖7.評估板TPA3251D2EVM電路圖(1)

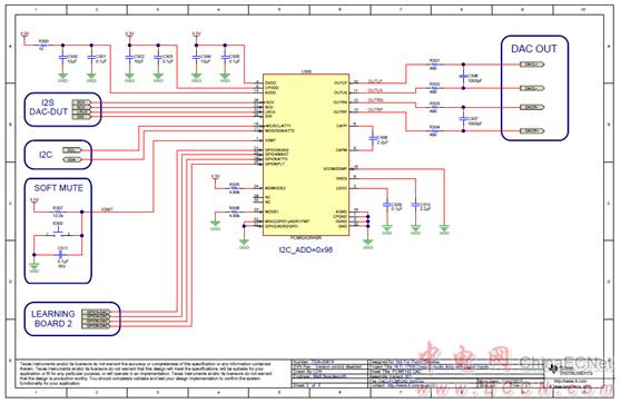
圖8.評估板TPA3251D2EVM電路圖(2)

圖9.評估板TPA3251D2EVM電路圖(3)

圖10.評估板TPA3251D2EVM電路圖(4)
評估板TPA3251D2EVM材料清單(BOM):




圖11.評估板TPA3251D2EVM PCB設計圖(1)

圖12.評估板TPA3251D2EVM PCB設計圖(2)

圖13.評估板TPA3251D2EVM PCB設計圖(3)

圖14.評估板TPA3251D2EVM PCB設計圖(4)

圖15.評估板TPA3251D2EVM PCB設計圖(5)

圖16.評估板TPA3251D2EVM PCB設計圖(6)

圖17.評估板TPA3251D2EVM PCB設計圖(7)

圖18.評估板TPA3251D2EVM PCB設計圖(8)

圖19.評估板TPA3251D2EVM PCB設計圖(9)

圖20.評估板TPA3251D2EVM PCB設計圖(10)

圖21.評估板TPA3251D2EVM PCB設計圖(11) |
| |
|
|
|
|
|
| |
| |
| |
 |
您可能對以下產品感興趣 |
 |
|
 |
| 產品型號 |
功能介紹 |
兼容型號 |
封裝形式 |
工作電壓 |
備注 |
| CS8683 |
130W/30V/4Ω |
|
EQB-32(散熱片在頂部,支持外接散熱器) |
4.7V-45V |
130W單聲道D類功放IC,具有AM干擾抑制功能 |
|
| |
|
| |
|
|