| 當前位置:首頁->方案設計 |
|
| SSM6322高保真低功耗立體聲音頻放大器解決方案 |
|
|
| 文章來源: 更新時間:2017/4/14 15:19:00 |
在線咨詢: |
| |
ADI公司的SSM6322是高保真低功耗立體聲音頻放大器,可直接和音頻DAC/CODEC接口,具有杰出的音頻性能和最小化功耗,從而延長手持設備電池壽命.1kHz時的THD+N為-121dB,輸出電流100 mA rms,電源電壓±3.3 V到±6 V,4 mm × 4 mm LFCSP封裝,主要用在高保真耳機驅動器,手機,藍牙揚聲器和耳機,筆記本電腦和平板電腦A/V接收器,汽車娛樂系統(tǒng).本文介紹了SSM6322主要特性,功能框圖,以及評估板SSM6322CP-EBZ主要特性,電路圖,材料清單和PCB設計圖.
The SSM6322 is an integrated, dual-channel audio amplifiersolution that interfaces directly with audio DAC/CODEC,maximizing the fidelity of high fidelity audio signal chains. Thehighly efficient design of the SSM6322 delivers outstandingaudio performance while minimizing power dissipation formaximum battery life in portable applications.
The SSM6322 features −121 dB THD + N at 1 kHz, alongwith very low output noise from 20 Hz to 20 kHz. The low poweroperation, high peak output current, and high PSRR make theSSM6322 an ideal candidate for applications that require highfidelity audio, high dynamic range, precision, and low power. Thishighly integrated drive solution also reduces development timewhile reducing board space and minimizing external components.
The SSM6322 is available in a 24-lead LFCSP package. TheSSM6322 operates over the industrial temperature of −40℃ to+85℃.
SSM6322主要特性:
Flexible architecture to interface with all digital-to-analogconverters (DACs)
Accepts differential current or voltage input (providessingle-ended voltage output)
High output current drive capability
Greater than 100 mA rms output current
Accurately reproduces large music transients into heavyloads (16 Ω to 32 Ω)
Excellent audio fidelity
−121 dB total harmonic distortion plus noise (THD + N) at1 kHz, 2 V rms output with ±5 V supply and 32 Ω load
Low output integrated noise (10 Hz to 22 kHz) of1.8 μVrms with A-weighted filter
Supply range: ±3.3 V to ±6 V (typical)
Low power operation
Enabled: 60 mW, VCC = +5 V, VEE = −5 V
Disabled/voice select: <30 μA
Low power disable mode with high output impedance
High-Z in power-down mode eliminating voice modeswitch from the high fidelity path
Greater than 87 dB power supply rejection ratio (PSRR) at20 kHz
Adjustable input common-mode voltage with resistorprogrammable reference voltage
1.45 V (typical) with no external components
Capable of two single-pole, low-pass filters in series2.2 nF maximum input capacitor
Second filter between the GAINx and FILTx pins
Pop and click noise suppression
Signal chain integration supports small printed circuit board(PCB) area
Compact 4 mm × 4 mm LFCSP package
SSM6322應用:
High fidelity headphone drivers
Mobile phones
Bluetooth speakers and headphones
Gaming notebooks and tablets
A/V receivers
Professional audio equipment
Audio test equipment
Automobile infotainment systems

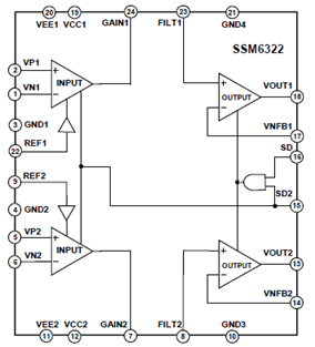
圖1.功能框圖
評估板SSM6322CP-EBZ
The SSM6322 evaluation board, the SSM6322CP-EBZ, evaluates the SSM6322, which is offered in a 24-lead LFCSP package. The SSM6322CP-EBZ evaluation board is a 4-layer printed circuit board (PCB) designed to quickly evaluate the performance of the device and reduce design time. The SSM6322CP-EBZ accepts SMA edge mounted connectors to test equipment or other circuitry.
Figure 1 shows the component side of the evaluation board, and Figure 2 shows the circuit side of the SSM6322CP-EBZ.
Complete specifications for the SSM6322 device are provided in the SSM6322 data sheet and should be consulted in conjunction with this user guide when using the evaluation board.
評估板SSM6322CP-EBZ主要特性:
Enables quick prototyping
Edge mounted SMA connector provisions
Easy connection to test equipment and other circuits
±5 V and +3.3 V to supply the external circuit

圖2.評估板SSM6322CP-EBZ外形圖(正面)

圖3.評估板SSM6322CP-EBZ外形圖(背面)

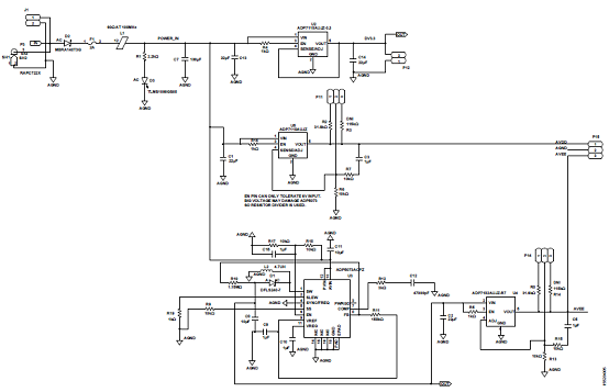
圖4.評估板SSM6322CP-EBZ電路圖(1)

圖5.評估板SSM6322CP-EBZ電路圖(2)
評估板SSM6322CP-EBZ材料清單:


圖6.評估板SSM6322CP-EBZ PCB設計圖(1)

圖7.評估板SSM6322CP-EBZ PCB設計圖(2)

圖8.評估板SSM6322CP-EBZ PCB設計圖(3)

圖9.評估板SSM6322CP-EBZ PCB設計圖(4)

圖10.評估板SSM6322CP-EBZ PCB設計圖(5) |
| |
|
|
|
|
|
| |
|
| |
|
|